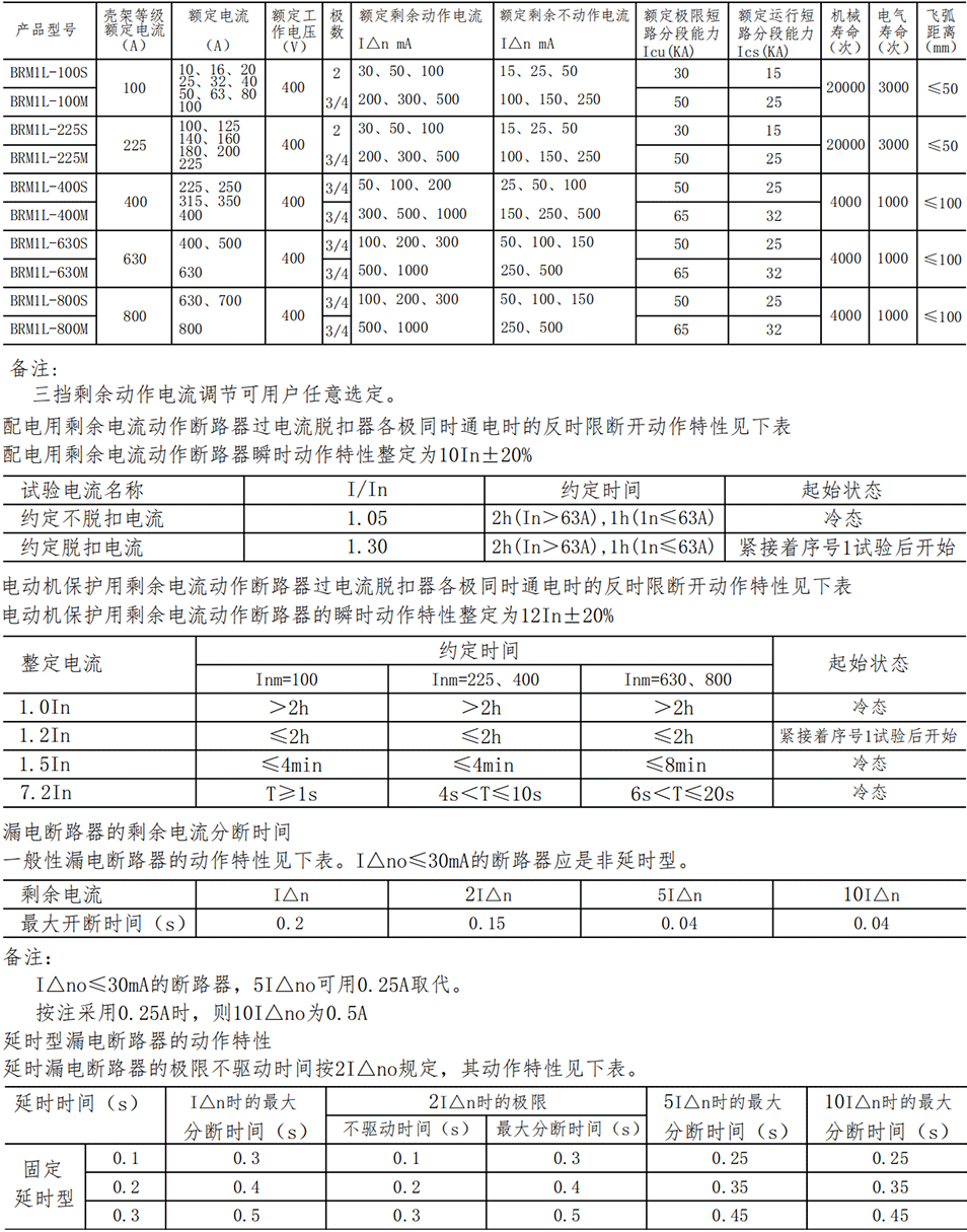
產品概述
BRM1L系列剩余電流動作斷路器(以下簡稱斷路器),是本公司綜合采用國際先進設計、開發的新型漏 電斷路器之一。其額定絕緣電壓為1000V,適用于交流50Hz,額定工作電壓400V及以下,額定電流16A~800A的 電路中。 其主要功能是對有致命危險的人身觸電提供間接接觸保護,額定剩余動作電流不超過0.03A的漏電斷路 器在其他保護措施失效時,也可作為直接接觸的補充保護,但不能作為唯一的直接接觸保護。同時,還可 用來保護線路的過載、短路,亦可作為線路的不頻繁轉換之用。 該漏電斷路器具有體積小(和相對應的塑殼斷路器體積相等)分段高、飛弧距離短及剩余動作電流、 剩余電流動作時間可調節等特點,同時可帶報警觸頭、分勵脫扣器、欠電壓脫扣器、輔助觸頭、旋轉手柄 操作機構、電動操作機構等附件,并可采用板前接線、板后接線和插入式接線等多種接線方式。 漏電斷路器可垂直安裝和水平安裝。
符合標準:GB/T14048.2 IEC60947-2
產品參數

相關產品